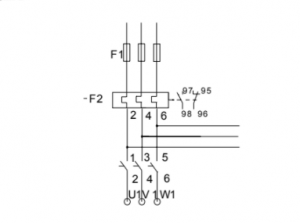
Motor girişinde;
Motor koruma röleli,yani termik gecikmeli aşırı akım röleli,yıldız üçgen yol vermelerde,
motor koruma rölesi normal olarak motorun U1,V1,W1 veya U2,V2,W2klemenslerine
giden besleme iletkeni üzerine bağlanır.Motor koruma rölesi motor yıldız
konumundaykende koruyuculuk görevini yerine getirir,çünkü motor sargısı ile seri
olarak bağlanmıştır.Ancak motor yıldız konumunda iken röleden geçen akım=0.58 X
motor anma akımıdır.
Şekil 1:
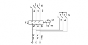
Şebekeden besleme;
Motor koruma rölesi motor besleme iletkeni üzerine yerleştirebildiği gibi,şebeke
besleme iletkeni üzerine yerleştirilebilir.bu sayfada gösterilen ayrıntı,sayfa 3te şekil4’te
bağlantı şemasının bir bölümüdür.Motor yıldız konumunda yol alırken motor koruma
rölesi F2nin reaksiyon gösterdiği tahrik sistemlerinde,motor anma akımına göre
seçilmişF2 rölesi şebeke besleme iletkeni üzerine yerleştirilebilir.Böylece rölenin açtırma
zamanı4-6 kat artar.Yıldız konumunda da röle üzerinden akım geçiyorsa da, görevini
tam olarak yerine getiremez.Çünkü rölenin akımı faz akımının 1,73 katına çıkmış
olur.Ancak motor bloke edilmiş durumlarda yol alamadığında koruma mümkündür.
Şekil 2:

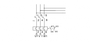
Yıldız üçgen bağlantının yerleşimi;
Motor koruma rölesi motor besleme iletkeni veya şebeke besleme iletkeni üzerine
yerleştirilebildiği gibi,üçgen bağlantı üzerine de yerleştirilebilir.busayfada gösterilen
ayrıntı,şekil 4’teki deki bağlantı şemasının bir bölümüdür.Çok ağır ve bundan dolayı da
uzun süren yol almalarda(örneğin santrifüjlerde) röle anma akımı x 0.58 için seçilen
röle F2 üçgen kontaktörünün K5M-yıldız kontaktörü K3M arasına bağlanabilir.yıldız
konumunda yol alma sırasında F2’den akım geçmez.yani yol alma sırasında motor
koruması yoktur.Bu bağlantı eğer gerçekten çok ağır veya uzun yol almalar varsa veya
doyuma ulaşan akım trafosu halen yeteri kadar geciktirmeyi sağlıyamıyorsa
uygulanmalıdır
Şekil 3:

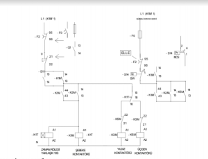
OTOMATİK YILDIZ ÜÇGEN ŞALTER SDAINL
Şekil 4:

KORUMA CİHAZLARININ YERLEŞTİRİLMESİ VE ÖLÇÜLENDİRİLMESİ:

OTOMATİK YILDIZ ÜÇGEN ŞALTER SDAINL 00 AM’DEN 10 M’E KADAR
Çalışması:
Buton ı K1T zaman rölesini çalıştırır. Bunun anında harekete geçen NA kontağı
K1T/17-18 yıldız kontaktörü K3M’e gerilim ulaştırır. K3M çeker ve NA K3M/14-13
kontağı şebeke kontaktörü K3M’e gerilim ulaştırır.K1M ve K3M K1M/14-13 ve
K1M/44-43 kontakları
üzerinden kendiliğinden devrede kalır.K1M M1 motorunu yıldız konumunda şebeke
gerilimine bağlar.
Ayarlanmış zaman geçtikten sonra K1T/17-18 K3M’in devresini açar.50 ms sonra
K5M’nin devresi K1T/17-28 konyağı tarafından kapatılır.Yıldız kontaktörüK3M
devreden çıkar.Üçgen kontaktörü K5M devreye girer ve M1 motoruna tam gerilim
uygulanır.Aynı anda K5M/22-21’in NK kontağı K3M’i devreden çıkarır ve işletme
sırasında tekrar devreye girmesini önlemek için kilitler.Yeniden yol verme ancak 0
butonuna basılmasından veya aşırı akımda motor koruma rölesi F2 nin 95-96 numaralı
kontakları veya motor koruma rölesinin 13-14 NA veya güç şalteri ile devrenin
açılmasından sonra mümkün olabilir.
Şekil 5:

OTOMATİK YILDIZ ÜÇGEN ŞALTER SDAINL
Şekil 6:

OTOMATİK YILDIZ ÜÇGEN ŞALTER SDAINL
Butonla yıldız kontaktörü K3M devreye girer.Bunun NA kontaklarıK3M714-13 şebeke
kontaktörü K1M ‘ye gerilim ulaştırır.K1M çeker ve motor M1 i şebeke gerilimine yıldız
konumunda bağlar.K1M ve K3M NA kontakları K1M/14-13,K3M/13-14 ve ayrıca
K1M/44-43 üzerinden devrede kalırlar ve 0 butonunda gerilim vardır.K1M şebeke
kontaktörü ile aynı anda zaman rölesiK1T’ye gerilim ulaşır.Ayarlanan süre sonunda
K1G komitatör kontak15-16 üzerinden K3M ‘nin devresini açar ve komitatörün 15-18
kontakları K5M’nin devresini kapatır.Yıldız kontaktörü K3M devre dışı olur.üçgen
kontaktörüK5M çekerek motor M1’i tam gerilim ile şebekeye bağlar.Aynı anda NK
kontak K5M/22-21 K3M ‘in devresini açar ve işletme sırasında tekrar devreye girmesini
önlemek için kilitler.
Yeniden yol verme ancak 0 butonuna basılmasından veya aşırı akımda motor koruma
rölesinin 13-14 NA veya güç şalteri ile devrenin açılmasından sonra mümkün olabilir.
OTOMATİK ENVERSÖR YILDIZ ÜÇGEN ŞALTER SDAIUL
Şekil 7:




